競賽重要創新:
對於WRO競賽樂高公司將推出一組LEGO WRO產品,預計2016開始銷售。
一套超過700個元件。售價約一組 - 25美元。
預計未來3-4年將被用於WRO競賽之任務物件
一組分量應足以用於一個競賽場地的任務物件
目前僅是規則草案,可以明確的是, 使用智慧(自主)程序來執行任務的機器人,將有更優勢。
也就是說規則方向將讓"寫死"不再僥倖過關
小朋友要認真學程式設計,要自己寫,不要拿別人的來灌
國小組一看就是個佛像(印度特色)
機器人的任務是找到所有的紅色積木替換成藍色
當然,正式規則可能會有顯著的改變
國中感覺上與2015有些相似
在場上,有四個區域標註色碼標籤。每個標籤中指示的四種顏色之一:紅色,藍色,黃色和綠色。
在啟動區的機器人裝載黑色塊(樂高積木)
機器人採集彩色塊,可在開始區前方標籤編碼區找到線索。
機器人的任務 - 讀取標籤,然後找到相應的色碼顏色的積木,並把它帶到標籤的所示區域。
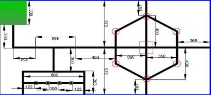
在高中職組場上
有一個六邊形,包圍一個方形區域。
機器人出發時六角形的頂點已經有兩個樂高色塊。
機器人的任務 -依據出發區前方之提示區域的找尋六邊形的頂點所缺失色塊。
在完成機器人主要任務後必須停止在六角形的中心的正方形。
大專組沿用2015規則
但會修改方向是, 對於使用視覺的機器人更有優勢
足球改變最大
2015的圖紙可以當"壁紙"(誤)
WRO GEN III Football 第三代
創意賽
大家對於"機器人做瑜珈"沒啥概念
主題可能會改...
更多機器人競賽文章請持續關注
資料來源: http://robolymp.ru/
樂高LEGO為樂高公司商標,WRO是指https://en.wikipedia.org/wiki/World_Robot_Olympiad
文章標籤
全站熱搜




